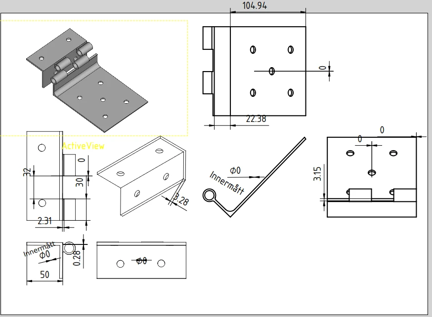
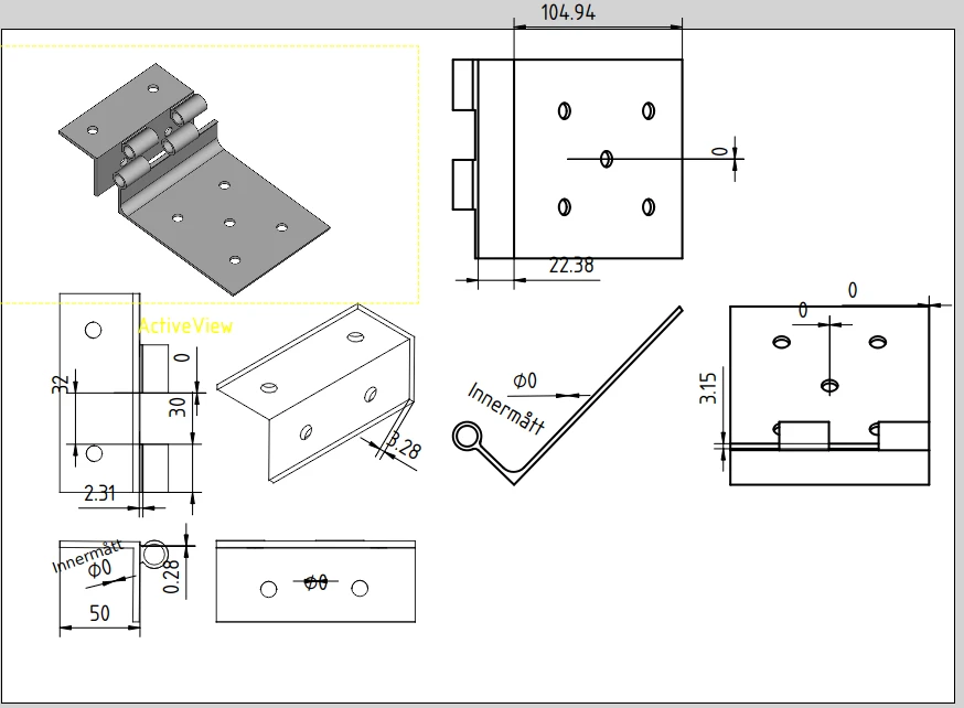
Saranat veneen säilytystelineeseen. Saranoihin voi kiinnittää joko puiset tuet, tai säädettävät tuet. Käytetään rannalle vinssattavaan puiseen telineeseen. Mitoituksista, eli painon ja mahdollisten vääntöjen kestävyydestä vastaa käyttäjä.
Säädettävät tuet on piirrettynä meillä. Näissä on saranoiden vastakappareet.


